服务电话:
18362832550
首页
齿轮减速机样本
齿轮减速机型号表
齿轮减速机装配图
齿轮减速机技术参数
样本下载
关于我们
公告:本厂配有大量现货,部分型号可当天发货。
型号列表
PM250减速机
PM350减速机
PM400减速机
PM500减速机
PM650减速机
PM750减速机
PM850减速机
PM1000减速机
减速机
>
齿轮减速机装配图
>
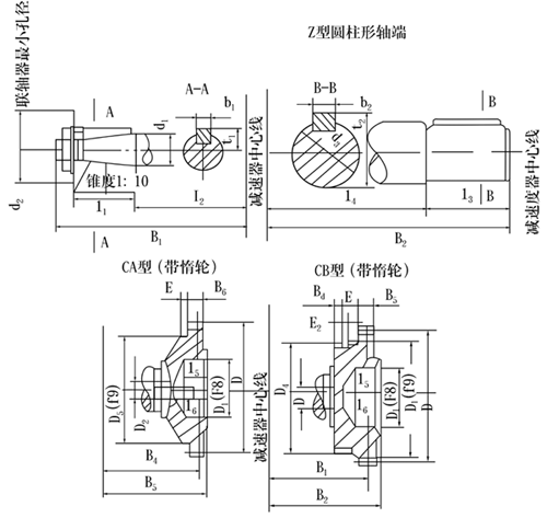
PM型圆柱齿轮减速机装配图
阅览次数: 更新时间:2016-06-12
PM型圆柱齿轮减速机装配图
上一篇:
PM减速机装配图
下一篇:
QY系列起重机用硬齿面减速机装配图
PM型圆柱齿轮减速机装配图相关参数
PM减速机
PM型圆柱齿轮减速机尺寸规格
PM型圆柱齿轮减速机输入输出轴端尺寸
PM型圆柱齿轮减速机装配图
关闭
免费咨询
电话:18362832550
在线客服